Buscas relacionadas:
Análise e solução de falhas em sistemas mecânicos
Pensando em facilitar a vida do comprador, o Soluções Industriais criou o maior número de produtos referência no setor industrial.
Caso esteja interessado em Análise e solução de falhas em sistemas mecânicos e gostaria de informações sobre o fornecedor selecione um ou mais dos fornecedores a seguir:
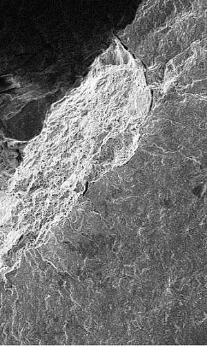
Análise de falhas mecânicas
LABMETAL INDUSTRIA / São José dos Campos - SP
A análise de falhas mecânicas é um método usado na eliminação das perdas através do bloqueio sistemático da causa raiz para a falha ou o defeito. A análise de falhas é aplicada para verificar se a falha ou o defeito é a consequência de uma não funcionalidade que pode ser parcial ou permanente de equipamentos, máquinas, componentes, ou, ainda, relaci...
Empresa de análise de falha mecânica
LABMETAL INDUSTRIA / São José dos Campos - SP
A empresa de análise de falha mecânica contém um processo crítico, efetuado pelo laboratório de análise de falhas para a determinação da “causa raiz” de problemas físicos apresentados.
IMPORTÂNCIA DA ANÁLISE DE FALHA MECÂNICAPor serem procedimentos altamente técnicos e com a exigência de precisão nas verificações...
Análise de falhas em componentes mecânicos
LABMETAL INDUSTRIA / São José dos Campos - SP
As indústrias de variados segmentos utilizam os serviços de laboratórios metalúrgicos para a realização de análises mecânicas e químicas dos materiais utilizados. Um dos testes mais importantes é o de análise de falhas em componentes mecânicos que tem como objetivo identificar a raiz da falha ou quebra através dos ensaios mecânicos necessários...
Análise de falhas em máquinas
LABMETAL INDUSTRIA / São José dos Campos - SP
Método utilizado na eliminação das perdas, a análise de falhas em máquinas realiza o bloqueio sistemático da causa raiz para cada falha ou defeito que o componente apresente. A origem das falhas nas máquinas, geralmente, está no dano que sofrem as peças componentes devido ao funcionamento contínuo e a análise de falhas nas máquinas descobre essa origem e toma a...
Laboratório de análise de falhas
LABMETAL INDUSTRIA / São José dos Campos - SP
A análise das falhas é um processo crítico, efetuado pelo laboratório de análise de falhas para a determinação da “causa raiz” de problemas físicos apresentados, baseando-se em variadas disciplinas de ordem técnica, utilizando também diversos tipos de observação, inspeção e também técnicas laboratoriais, analisando o mate...
Sistema de ventilação mecânica
Construclima / São Paulo - SP
Composto por ventiladores e o sistema de ventilação mecânica consiste em um dos métodos que melhor podem conferir um moderado conforto térmico às mais variadas edificações. Conforme a sua própria nomenclatura sugere, esse tipo de sistema se difere em muito do que é colocado em prática através do sistema de ventilação natural. O mesmo vale para os c...
Análise de falhas em equipamentos de processo
LABMETAL INDUSTRIA / São José dos Campos - SP
A análise de falhas em equipamentos de processo é feita com o intuito de avaliar os componentes e os materiais para, posteriormente, identificar a causa raiz de falhas e quebras. Por meio de ensaios mecânicos, análises técnicas, químicas, metalográficas, normativas e de desenhos, a análise de falhas engloba, também, a consultoria do corpo técnico de forma totalmente especiali...
Análise de materiais e ensaios mecânicos
LABMETAL INDUSTRIA / São José dos Campos - SP
A análise de materiais e ensaios mecânicos visam caracterizar propriedades físicas e químicas de materiais e componentes da indústria através de ensaios e análises destrutivos.
CARACTERÍSTICAS DOS ENSAIOS MEC NICOS DE METAISAssim como, os ensaios mecânicos executam análises que determinam os seguintes requisitos:
A ocorrência de defeitos por segregaç&ati...Sistema Análise Tráfego
Eletrica Predial / São Paulo - SP
A Vital Tech Soluções Eletrônicas se destaca pela qualidade e tecnologia de seus produtos voltados a sinalização eletrônica e sistemas. A empresa oferece um leque de produtos e soluções como: painéis de mensagens variáveis, indicadores de produção, painéis de cipa eletrônico, contadores, Sistema Análise Tr&aacu...
Selo mecânico
Sul Importadora de Rolamentos / São Paulo - SP
O que é são selos mecânicos?
O selo mecânico é um dispositivo mecânico de forma cilíndrica, de alta tecnologia e alta performance, que elimina e previne vazamentos de fluídos, líquidos ou gases sob pressão na caixa de selagem ou câmara do selo, de bombas centrífugas, bombas hidráulicas e reatores, onde o eixo rotativo atravessa seu corpo.
O selo industr...
selos mecânicos
SEA GRAVITE / Santo André - SP
Dispositivos de rotação, como centrífugas, devem utilizar os selos mecânicos para funcionar plenamente. Esse dispositivo tem o papel de promover selagem, para evitar que fluido, gases ou líquidos que ficam entre o eixo móvel e a carcaça de um dispositivo vazem. Estes itens são frequentemente utilizados em:
Bombas hidráulicas; Centrífugas; Compressores; Reatores.O selo...
Selo mecânico r20r
Seal Mec / Fortaleza - CE
Os selos mecânicos são peças cilíndricas que impedem e previnem o vazamento de gases, líquidos e fluidos. Um dos produtos que desemprenham este papel é selo mecânico r20r. É muito importante que as empresas de selos mecânicos estejam focadas nos padrões de qualidade.
Os selos mecânicos são desenvolvidos para serem usados em vários ramos industriais, co...
Fusos mecânicos
Rosa do Brasil / São Paulo - sp
Descrição do fuso mecânico
O fusos mecânicos, conhecidos como fusos esferas, foram projetados para serem sistemas de acionamento de alta eficiência, no qual é realizado um movimento helicoidal entre o eixo do fuso e a castanha com baixo atrito. Esse produto é extremamente eficiente e econômico, precisando de apenas um terço do torque de transmissão, se tornando o adequado para a...
Selo mecânico ro
Seal Mec / Fortaleza - CE
A habilidade de compensar o grande deslocamento do eixo é uma das vantagens do selo mecânico RO, além de evitar falhas no anel-O. A capacidade de alta pressão também é um benefício que deve ser destacado.
Este produto ainda ainda possui os seguintes aspectos: confiável e comprovada capacidade de compressão, design simples e potência no fluxo do rotativo, que auxilia a pr...
Selo mecânico m32
Seal Mec / Fortaleza - CE
Um produto econômico e robusto é o selo mecânico M32, além de extremamente eficiente, este material é vantajoso devido a versatilidade. Ele aguenta até 200°C, a pressão do selo mecânico pode chegar até 12bar e sua velocidade pode ir até 15m/s.
O selo mecânico possui mola cônica e não é balanceado. Este elemento é considerado um modelo...
Selo mecânico 3 4
Seal Mec / Fortaleza - CE
Uma instituição desenvolvedora de selo mecânico precisa de colaboradores qualificados, bem treinados para fazer serviços no ramo, e de um bom atendimento. Um dos selos que é oferecido pelas fornecedoras é o selo mecânico 3 4, que serve para vedar e evitar que exista algum vazamento nos maquinários.
Os selos podem ser encontrados em diversos tamanhos e modelos, para atender as necessid...
Selo mecânico mg1
Seal Mec / Fortaleza - CE
O selo mecânico MG1 desempenha um papel melhor do que as graxetas (ou gaxetas), pois exige baixo consumo de eletricidade e menos substituição de fluídos. Considerando essas vantagens, torna-se notório a economia proporcionada com a utilização do selo mecânico.
Além disso, o selo mecânico possui ótimo custo-benefício e aguenta até +230°C. Este prod...
Selo mecânico abs
Seal Mec / Fortaleza - CE
Desenvolvidos para corresponder aos fatores de variados tipos de aplicação, os diversos modelos de selo mecânico ABS fabricados e comercializados contribuem para processos de muitos ramos da indústria.
Integrando a estrutura mecânica de aparelhos submersíveis de bombeamento, o selo mecânico é usado em bombas de aplicações variadas, como o bombeamento de lama, efluentes, &...
Selo mecânico 21
Seal Mec / Fortaleza - CE
O selo mecânico, é um material de diferentes tamanhos, formas e usos. O tipo mais popular é o selo mecânico 21, que é frequentemente recomendado para vedação de eixos rotativos, como bombas marítimas, industriais, automotivas e até domésticas.
O selo mecânico é um item constantemente usado em vários segmentos industriais, e também é um e...
Selo mecânico
Seal Mec / Fortaleza - CE
Para o melhor funcionamento do selo mecânico, é necessário que seja empregado de maneira correta para que suporte as condições de pressão, temperatura do fluido e velocidade.
O atendimento da empresa fornecedora deve ser qualificado, o profissional precisa descrever detalhadamente as informações sobre os tipos de selos disponíveis e orientar cada cliente na escolha da melhor o...
 
                 
 
 
 
 
 
 
 
 
 
 
 
 
 
 
 
 
 
 
 
 
 
 
 
 
 
 
 
 
 
 
