Buscas relacionadas:
Ensaio de corrosão valor
Feito para facilitar a sua vida, o Soluções Industriais reuniu a maior gama de fornecedores qualificados no mercano industrial.
Caso haja interesse em Ensaio de corrosão valor e gostaria de saber mais informações sobre a empresa clique em uma ou mais das empresas logo a seguir:
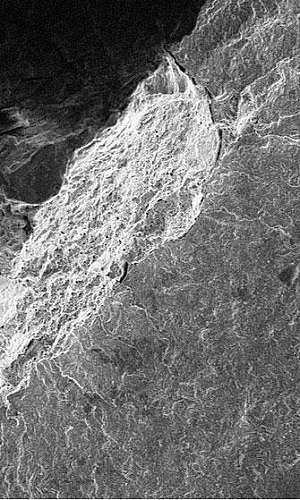
Ensaio de corrosão
LABMETAL INDUSTRIA / São José dos Campos - SP
Os ensaio de corrosão são aplicados em indústrias em geral para simular a corrosão acelerada e são conhecidos também como ensaios de corrosão de névoa salina Salt Spray. Por meio desse procedimento é feita a identificação e o controle do componente em análise em relação à corrosão.
DENTRO DOS PADRÕES DE NORMAS A SEREM SEGUI...Ensaios de corrosão salt-spray
LABMETAL INDUSTRIA / São José dos Campos - SP
Os ensaios de corrosão Salt-Spray são aplicados em indústrias em geral para simular a corrosão acelerada e são conhecidos também como ensaio de corrosão névoa salina Salt Spray. Por meio desse procedimento é feita a identificação e o controle do componente em análise em relação à corrosão.
Considerada uma das análises ma...
Ensaio de enxofre corrosivo
MGM CONSULTORIA / Campinas - SP
O ensaio de enxofre corrosivo é um método utilizado para determinar o potencial corrosivo dos óleos isolantes utilizados em equipamentos elétricos, como por exemplo, transformadores de potência. Através do ensaio do enxofre corrosivo dos fluidos isolantes desses equipamentos, tendo como base as normas para a manutenção e supervisão dos óleos minerais isolantes em equipamentos...
Inibidor de corrosão
Adexim Comexim / São Paulo - SP
São matérias primas que atendem segmentos como: Têxtil, cosméticos, madeira, plásticos, tintas, pisos, automotiva, alimentos, etc.
Conhecendo inibidoresOs produtos SNCZ inibidores de corrosão com base em elementos minerais, como zinco, alumínio, cálcio, magnésio e estrôncio. Oferecemos também fosfatos n&at...
Teste de corrosão de metais
INSTITUTO LAB SYSTEM / Guarulhos - SP
O teste de corrosão de metais é fundamental para diferentes setores industriais, devido por meio dele ser possível efetuar uma verificação profunda da qualidade dos metais utilizados em seus processos de produção.
Esta categoria de teste é basicamente efetuada por meio de procedimentos específicos, nos quais o material é exposto para avaliação de suas alt...
Teste de corrosão marítima
INSTITUTO LAB SYSTEM / Guarulhos - SP
O teste de corrosão marítima é, certamente, preponderante para que as indústrias possam avaliar com assertividade os materiais empregados em suas atividades produtivas. Este tipo de teste é elementar para diminuir a ocorrência de variados prejuízos decorrentes de processos corrosivos, entre eles:
Fissuras; Trincas; Rachaduras.Esta modalidade de teste é um investimento vantajoso para...
Manutenção para corrosão
SIDEROS CONSULTORIA / São Paulo - SP
A manutenção para corrosão é um procedimento fundamental para proteger equipamentos e máquinas em diversos segmentos da indústria. Praticamente qualquer componente mecânico está sujeito à ação da corrosão, um processo de deterioração que pode ser causado por fluidos utilizados nos processos industriais ou pela própria ação ambi...
Revestimento corrosão
OPT BRASIL / São Paulo - SP
O revestimento corrosão consiste em um procedimento de borrifamento térmico. Essa técnica é realizada com a aspersão de um produto fundido, em um material previamente tratado, em áreas pequenas ou mais amplas. Dessa maneira, a técnica consegue proteger as matérias-primas metálicas de erosão e prolongar a durabilidade de vários tipos de componente, empregados em ind&ua...
Inibidores de corrosão tintas
Adexim Comexim / São Paulo - SP
São matérias primas que atendem segmentos como: Têxtil, cosméticos, madeira, plásticos, tintas, pisos, automotiva, alimentos, etc.
Característica do inibidores de corrosão SNCZOs produtos SNCZ são inibidores de corrosão oferecendo fosfatos não tóxicos de alto desempenho ativados e polifosfatos para atende...
Revestimento contra corrosão
SIDEROS CONSULTORIA / São Paulo - SP
Sendo considerado item fundamental na escolha de um aço para o emprego estrutural específico, o revestimento contra corrosão dispõe de alta resistência, trabalhando no aumento da vida útil de seu componente e, por consequência, sua confiabilidade. O desgaste atua na diminuição da capacidade de carga presente em um componente através do seu tamanho, que seria a seç&atild...
Revestimento contra corrosão
OPT BRASIL / São Paulo - SP
O revestimento contra corrosão é um procedimento fundamental para quem clientes que busca durabilidade, resistência e aumento da vida útil de peças ou atém mesmo um maquinário que esteja exposto em ambientes mais úmidos. O procedimento é um serviço oferecido por empresas prestadoras de serviços que atuam no segmento de soldagem de materiais e composta por profiss...
Produtos inibidores de corrosão
Adexim Comexim / São Paulo - SP
São matérias primas que atendem segmentos como: Têxtil, cosméticos, madeira, plásticos, tintas, pisos, automotiva, alimentos, etc.
Inibidores de corrosãoOs revestimentos epóxi e éster vinílicos e outros com a adição do Glass Flake são os mais conhecidos como produtos inibidores de corrosão p...
Ensaio DBDS
MGM CONSULTORIA / Campinas - SP
Através do ensaio DBDS é possível a identificação e quantificação do composto dibenzil dissulfeto em amostras de óleo isolante utilizados em equipamentos elétricos isolados a óleo. A presença de dibenzil dissulfeto, ou DBDS, não é natural e ocorre através da contaminação de fluidos isolantes isentos de DBDS com fluidos isolantes cont...
Revestimento metálico contra corrosão
OPT BRASIL / São Paulo - SP
A proteção contra os processos corrosivos é uma necessidade constante para empresas e pessoas que utilizam materiais que estão suscetíveis a essas situações. O processo corrosivo pode acontecer em decorrência de fatores ambientais, ação do tempo e também devido a substâncias que causam algum tipo de corrosão.
Para evitar a corrosão e proporcio...
Correia dentada valor
Correias Universal / São Paulo - SP
Sobre as correias
A correia dentada valor da Correias Universal é extremamente utilizada no setor industrial. Entre os tipos de correias disponíveis no mercado, estão as correias sincronizadoras, que são produzidas com borracha neoprene, e seus dentes são revestidos em nylon.
Essas características permitem ótima resistência ao atrito e, consequentemente, maior durabilidade. Alé...
Valor da correia dentada
Correias Universal / São Paulo - SP
A utilidade de uma correia dentada
A correia dentada é um produto fabricado em Neopreme (tipo de borracha mais resistente) com dentes de Nylon.
O valor da correia dentada pode variar de acordo com o fabricante e a matéria prima do produto, podendo ser mais acessível ou menos.
Vantagens da correia - Excelente custo x benefício; - Preço justo; - Equipamento totalmente resistente; - Entre outras.Utiliza&...Ensaio de tração
NEADE INDÚSTRIA / São Paulo - SP
O ensaio de tração se configura por ser uma aplicação de força de tração num corpo de prova padronizado. Essa força imposta acaba promovendo a deformação do material na direção do esforço, que tende a alongá-lo até fraturar. Devido à facilidade de execução e reprodutibilidade dos resultados, este ensaio é a...
Testes e ensaios em EPI's e EPC's
INSTITUTO LAB SYSTEM / Guarulhos - SP
Os testes e ensaios em epi's e epc's são fundamentais para a segurança do ambiente fabril, visto que, por meio deles, é analisada a qualidade de luvas, capacetes, cintos, banqueta isolante, ferramentas manuais e mantas isolantes, por exemplo.
O SERVIÇO É DE EXTREMA IMPORTÂNCIAOs testes são de elevada importância para o segmento industrial, que deve estar de acordo com as norma...
Ensaios mecânicos
LABMETAL INDUSTRIA / São José dos Campos - SP
Os ensaios mecânicos visam caracterizar propriedades físicas e químicas de materiais e componentes da indústria através de ensaios e análises destrutivos. Esses trabalhos utilizam uma série de métodos que realizam a medição de fatores mecânicos dos materiais analisados, tendo como principal objetivo compreender o comportamento dos itens em várias condiç&ot...
Ensaio de tração aço
NEADE INDÚSTRIA / São Paulo - SP
O ensaio de tração aço costuma ser realizado para determinar a quantidade de força de tração que uma peça fabricada em aço pode suportar, sendo de grande importância para os diversos usos profissionais de peças fabricadas em aço, nas quais é necessário diminuir a velocidade dos desgastes causados nas peças.
CARACTERÍSTICAS DO ENSAIO DE TR... 
                 
 
 
 
 
 
 
 
 
 
 
 
 
 
 
 
 
 
 
 
 
 
 
 
 
 
 
 
 
 
 
 
 
 
 
 
