Buscas relacionadas:
Ensaio de corrosão empresa
Exclusivo para compradores, o portal do Soluções Industriais reuniu o maior número de produtos de qualidade no setor industrial.
Se estiver interesse em Ensaio de corrosão empresa e gostaria de mais informações sobre a empresa selecione um ou mais dos anunciantes abaixo:
Ensaio de corrosão
LABMETAL INDUSTRIA / São José dos Campos - SP
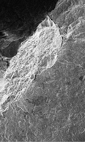
Os ensaio de corrosão são aplicados em indústrias em geral para simular a corrosão acelerada e são conhecidos também como ensaios de corrosão de névoa salina Salt Spray. Por meio desse procedimento é feita a identificação e o controle do componente em análise em relação à corrosão.
DENTRO DOS PADRÕES DE NORMAS A SEREM SEGUI...Ensaios de corrosão salt-spray
LABMETAL INDUSTRIA / São José dos Campos - SP
Os ensaios de corrosão Salt-Spray são aplicados em indústrias em geral para simular a corrosão acelerada e são conhecidos também como ensaio de corrosão névoa salina Salt Spray. Por meio desse procedimento é feita a identificação e o controle do componente em análise em relação à corrosão.
Considerada uma das análises ma...
Empresa de ensaios mecânicos
LABMETAL INDUSTRIA / São José dos Campos - SP
Empresa de ensaios mecânicos visam caracterizar propriedades físicas e químicas de materiais e componentes da indústria através de ensaios e análises destrutivos. Esses trabalhos utilizam uma série de métodos que realizam a medição de fatores mecânicos dos materiais analisados, tendo como principal objetivo compreender o comportamento dos itens em várias condi&cc...
Ensaio de enxofre corrosivo
MGM CONSULTORIA / Campinas - SP
O ensaio de enxofre corrosivo é um método utilizado para determinar o potencial corrosivo dos óleos isolantes utilizados em equipamentos elétricos, como por exemplo, transformadores de potência. Através do ensaio do enxofre corrosivo dos fluidos isolantes desses equipamentos, tendo como base as normas para a manutenção e supervisão dos óleos minerais isolantes em equipamentos...
Empresas de ensaios não destrutivos
LABMETAL INDUSTRIA / São José dos Campos - SP
As indústrias de variados setores no Brasil e também fora do país trabalham com materiais que, normalmente, necessitam passar por testes, sejam eles de origem mecânica ou química. Até por isso as empresas de ensaios não destrutivos e os laboratórios metalúrgicos são tão buscados no mercado para executar inúmeros serviços.
Vale ressaltar que o ensaio...
Inibidor de corrosão
Adexim Comexim / São Paulo - SP
São matérias primas que atendem segmentos como: Têxtil, cosméticos, madeira, plásticos, tintas, pisos, automotiva, alimentos, etc.
Conhecendo inibidoresOs produtos SNCZ inibidores de corrosão com base em elementos minerais, como zinco, alumínio, cálcio, magnésio e estrôncio. Oferecemos também fosfatos n&at...
Empresa de ensaio de envelhecimento UV
Adexim Comexim / São Paulo - SP
São matérias primas que atendem segmentos como: Têxtil, cosméticos, madeira, plásticos, tintas, pisos, automotiva, alimentos, etc.
O equipamento C-UV é uma câmara que que faz parte da empresa de ensaio de envelhecimento UV e umidade, capaz de acelerar o envelhecimento através da exposição planejada a irradia&cced...
Teste de corrosão de metais
INSTITUTO LAB SYSTEM / Guarulhos - SP
O teste de corrosão de metais é fundamental para diferentes setores industriais, devido por meio dele ser possível efetuar uma verificação profunda da qualidade dos metais utilizados em seus processos de produção.
Esta categoria de teste é basicamente efetuada por meio de procedimentos específicos, nos quais o material é exposto para avaliação de suas alt...
Teste de corrosão marítima
INSTITUTO LAB SYSTEM / Guarulhos - SP
O teste de corrosão marítima é, certamente, preponderante para que as indústrias possam avaliar com assertividade os materiais empregados em suas atividades produtivas. Este tipo de teste é elementar para diminuir a ocorrência de variados prejuízos decorrentes de processos corrosivos, entre eles:
Fissuras; Trincas; Rachaduras.Esta modalidade de teste é um investimento vantajoso para...
Empresa de calibração de máquinas de ensaio em SP
EMBRACAL / Residencial Flamboyant - SP
A empresa de calibração de máquinas de ensaio em SP é um local fundamental principalmente para laboratórios em gerais que trabalham com máquinas de ensaio. O trabalho realizado é capaz de melhorar a calibração de diversos equipamentos que precisam ter uma precisão impecável. Para tal, é importante contar com a melhor empresa desse segmento.
INFORMA&Cce...Empresa de calibração de máquinas para ensaio
EMBRACAL / Residencial Flamboyant - SP
A calibração de máquinas para ensaio é um serviço que precisa ser feito em diversos segmentos da indústria, principalmente em laboratórios de química e biologia. Porém, para que o resultado deste tipo de serviço seja eficaz e seguro é fundamental que o cliente conte com a melhor empresa de calibração de máquinas para ensaio.
Os instrum...
Manutenção para corrosão
SIDEROS CONSULTORIA / São Paulo - SP
A manutenção para corrosão é um procedimento fundamental para proteger equipamentos e máquinas em diversos segmentos da indústria. Praticamente qualquer componente mecânico está sujeito à ação da corrosão, um processo de deterioração que pode ser causado por fluidos utilizados nos processos industriais ou pela própria ação ambi...
Revestimento corrosão
OPT BRASIL / São Paulo - SP
O revestimento corrosão consiste em um procedimento de borrifamento térmico. Essa técnica é realizada com a aspersão de um produto fundido, em um material previamente tratado, em áreas pequenas ou mais amplas. Dessa maneira, a técnica consegue proteger as matérias-primas metálicas de erosão e prolongar a durabilidade de vários tipos de componente, empregados em ind&ua...
Inibidores de corrosão tintas
Adexim Comexim / São Paulo - SP
São matérias primas que atendem segmentos como: Têxtil, cosméticos, madeira, plásticos, tintas, pisos, automotiva, alimentos, etc.
Característica do inibidores de corrosão SNCZOs produtos SNCZ são inibidores de corrosão oferecendo fosfatos não tóxicos de alto desempenho ativados e polifosfatos para atende...
Revestimento contra corrosão
SIDEROS CONSULTORIA / São Paulo - SP
Sendo considerado item fundamental na escolha de um aço para o emprego estrutural específico, o revestimento contra corrosão dispõe de alta resistência, trabalhando no aumento da vida útil de seu componente e, por consequência, sua confiabilidade. O desgaste atua na diminuição da capacidade de carga presente em um componente através do seu tamanho, que seria a seç&atild...
Revestimento contra corrosão
OPT BRASIL / São Paulo - SP
O revestimento contra corrosão é um procedimento fundamental para quem clientes que busca durabilidade, resistência e aumento da vida útil de peças ou atém mesmo um maquinário que esteja exposto em ambientes mais úmidos. O procedimento é um serviço oferecido por empresas prestadoras de serviços que atuam no segmento de soldagem de materiais e composta por profiss...
Produtos inibidores de corrosão
Adexim Comexim / São Paulo - SP
São matérias primas que atendem segmentos como: Têxtil, cosméticos, madeira, plásticos, tintas, pisos, automotiva, alimentos, etc.
Inibidores de corrosãoOs revestimentos epóxi e éster vinílicos e outros com a adição do Glass Flake são os mais conhecidos como produtos inibidores de corrosão p...
Empresa de calibração de máquinas universal de ensaio
EMBRACAL / Residencial Flamboyant - SP
A empresa de calibração de máquinas universal de ensaio é um importante espaço capaz de ajustar e alinhar máquinas universais de ensaio com o máximo de qualidade e excelência. Este tipo de serviço é muito requisitado principalmente por laboratórios em gerais que utilizam os materiais de ensaio. Vale destacar que este serviço só será feito em alta q...
Empresa de corrimão
Serralheria Barros / São Paulo - SP
A empresa de corrimão é responsável por oferecer ao mercado corrimões de qualidade. Em qualquer local que possua escadas, o uso do corrimão é indispensável para a segurança, já que ele pode evitar quedas. O material também pode servir como apoio para pessoas com dificuldade de mobilidade, devido à idade ou a problemas físicos.
INFORMAÇÕES IMPOR...Empresa de corrimão SP
Serralheria Barros / São Paulo - SP
A empresa de corrimão SP trabalha com o objetivo de proporcionar ao cliente os melhores corrimões do mercado. O corrimão é um apoio lateral, normalmente colocado ao lado de escadas para apoiar com uma mão, a locomoção de pessoas com algum tipo de deficiência física.
BENEFÍCIOS EM CONTAR COM O PRODUTO Alta durabilidade; Facilidade e praticidade na manutenç&atil...
